

标准品防焊剂构造,线圈绝缘F等级
外型尺寸(External Dimension):19x19.5x15.8mm 触点形式(Contact Arrangement): 1A/1C
触点材料(Contact Material):AgAlloy 接触电阻(Contact Resistance): ≤100mΩ(6V/A)
额定电压( Rated voltage):AC250V/DC28V 额定电流(Rated current):5A
线圈电压(Coil Voltage):3VDC~48VDC 线圈功率(瓦)(Coil power(W)): 0.36W
开路触点之间(Open Contacts):OP/OP≥750VAC 触点与线圈之间(Contacts And Coil):IP/OP≥4000VAC
电气寿命(Electrical Endurance):1x10^5 机械寿命(Mechanical Endurance):1x10^7
使用环境温度(Operti Temperature):-40℃--+105℃ 重量(Weight):9.5g
环境保护类别IEC 61810(Type of environmental protection IEC 61810) :RTⅡ,RTⅢ
产品已通过美国UL、德国TUV、中国CQC等国内外安全认证
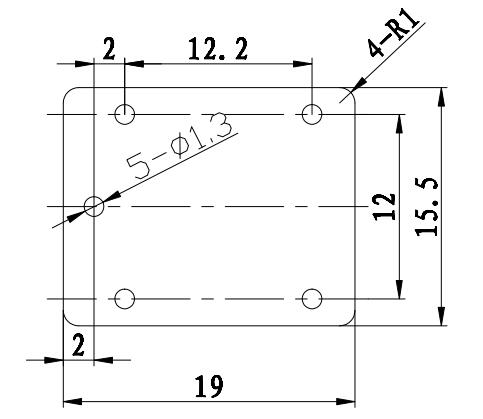
脚位图(Terminal Arrangement):